

Упаковка |
Кол-во |
|---|---|
|
Бухта
|
15 м.п.
|
Цена:
1915 ₽
за 1 м.п.
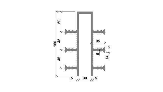
Назначение и особенности, для шпонки ДЗ-160/30-6/35 из ПВХ это:
Гидрошпонки Аквастоп используются в гражданском и коммерческом строительстве.
Гарантийный срок хранения – 2 года.
Гарантийный срок эксплуатации – 5 лет при соблюдении технологии монтажа.
Устанавливается в полость деформационного шва, как с внешней, так и с внутренней стороны элементов конструкций подземной части зданий и сооружений различного назначения.

Описание

Описание